«АльфаСтройМет»
г. Краснодар 8(800)333-62-28 E-mail: zakaz@asmet-yug.ru
г. Краснодар 8(800)333-62-28 Наличный/безналичный расчёт. Выставление счёта RUB ₽
Пн - Чт: c 8.00 - 18.00
Пт: с 08:00 - 17:00
Сб - Вс: выходной
8(800)333-62-28 Показать

zakaz@asmet-yug.ru

Опора освещения ОПф

Характеристики:

Высота (мм)
3000, 4000, 5000, 6000, 7000, 8000, 9000
Есть вопросы? Задайте их нашему менеджеру!
8(800)333-62-28 Показать
Описание
  • Описание
  • Оплата
  • Доставка

Несиловые трубчатые опоры прямостоечные фланцевые (ОПф) широко применяются для уличного функционального освещения, также их можно встретить в зонах отдыха, коттеджных поселках.

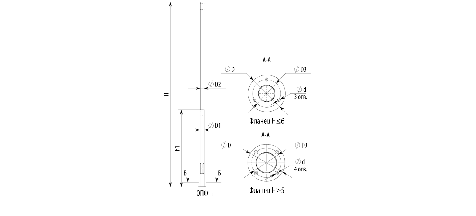
Изготовляются опоры из отрезков труб разного диаметра (верхняя уже нижней), что обеспечивает повышенную устойчивость к деформации.

Комплектуются кронштейнами для установки консольных венчающих и подвесных светильников.

Опоры ОПф изготавливаются из стальных бесшовных труб, соответствующих требованиям ГОСТ 8732-78 и труб стальных электросварных по ГОСТ 10704-910.

Сталь выбирается исходя из климатических условий района эксплуатации согласно СНиП II -23-81 «Стальные конструкции»

Способ подвода питающего кабеля: 02 - подземный.

Лючок накладной. Внутри расположены планки для монтажа электрооборудования и планка для заземления. Лючок закрывается усиленной накладной крышкой.

Защита от коррозии: грунт. эмаль типа ПФ=021, НЦ-132 серая. Возможно порошковое напыление, горячее цинкование.

Рекомендуемые закладные фундамента - ОПТ, ОПА под фланцы

Опоры устанавливаются на заранее забетонированные закладные. Параметры фундамента определяются расчетом и зависят от зоны эксплуатации опор и параметров грунта.

 

Обозначение Диаметры труб D1-D2, мм Высота опоры Н, м Посадочный размер опорного фланца D3, мм Диаметр фланца D, мм Количество отверстий, шт Диаметр отверстий d, мм Крепежный комплект Рекомендуемая закладная Декоративная крышка на фланец опоры, мм
ОПФ 3,0(d180-3М16+d108-d60) d108-d60 3 d180 d240 3 18 КК1-ОПА3-М16 ОПА3-d180-M16-0,6  d260-d114
ОПФ 4,0(d180-3М16+d108-d60) d108-d60 4 d180 d240 3 18 КК1-ОПА3-М16 ОПА3-d180-M16-0,6  d260-d114
ОПФ 3,0(d180-3М16+d108-d76) d108-d76 3 d180 d240 3 18 КК1-ОПА3-М16 ОПА3-d180-M16-0,6  d260-d114
ОПФ 4,0(d180-3М16+d108-d76) d108-d76 4 d180 d240 3 18 КК1-ОПА3-М16 ОПА3-d180-M16-0,6  d260-d114
ОПФ 5,0(d180-3М20+d108-d76) d108-d76 5 d180 d240 3 22 КК1-ОПТ3-М20   ОПТ3-d180-М20-1,5(108)  d260-d114
ОПФ 6,0(d180-3М20+d108-d76) d108-d76 6 d180 d240 3 22 КК1-ОПТ3-М20   ОПТ3-d180-М20-1,5(108)  d260-d114
ОПФ 5,0(d190-4М20+d133-d108) d133-d108 5 d190 d240 4 22 КК1-ОПТ4-М20  ОПТ4-d190-М20-1,5(133)  d260-d143
ОПФ 6,0(d190-4М20+d133-d108) d133-d108 6 d190 d240 4 22 КК1-ОПТ4-М20 ОПТ4-d190-М20-1,5(133)  d260-d143
ОПФ 7,0(d190-4М20+d133-d108) d133-d108 7 d190 d240 4 22 КК1-ОПТ4-М20 ОПТ4-d190-М20-2,5(133)  d260-d143
ОПФ 8,0(d190-4М20+d133-d108) d133-d108 8 d190 d240 4 22 КК1-ОПТ4-М20 ОПТ4-d190-М20-2,5(133)  d260-d143
ОПФ 9,0(d190-4М20+d133-d108) d133-d108 9 d190 d240 4 22 КК1-ОПТ4-М20 ОПТ4-d190-М20-2,5(133)  d260-d143

Оплата возможна как наличным, так и безналичным расчетом (являемся плательщиками НДС). Связавшись с нашими менеджерами, вы сможете уточнить стоимость и сроки доставки материала на ваш объект. Расчеты будут произведены с учетом удаленности вашего объекта от нашей металлобазы и объема заказываемой продукции.

Электронная почта zakaz@asmet-yug.ru и телефон 8(800)333-62-28 для консультации в нашими специалистами., а так же можно заказать обратный звонок и наш менеджер свяжется с вами в течение 10 минут.

Наш специалист предложит подходящий транспорт и грамотно составит маршрут. Материал поставляется с полным пакетом разрешительных и сопроводительных документов.

Уважаемые покупатели, компания АльфаСтройМет  занимается только поставкой металлопроката , у нас нет собственного производства металлоконструкций.

Современное оборудование на складах и разнообразные виды транспорта для перевозок. Доставка осуществляется напрямую со складов нашей компании в Ваш город в день заказа, либо в соответствии с оговоренными с менеджерами отдела продаж и отдела доставки условиями.

Для того, чтобы получить выбранный товар в день заказа, Вам достаточно позвонить 8(800)333-62-28 в нашу компанию до 17:00, либо до этого времени оставить заявку через форму связи на сайте.

Также возможен самовывоз продукции. Оригиналы документов можно забрать из головного офиса, который находится в Краснодаре.

Заказчикам из регионов поставляем материал с помощью транспортных компаний:

  • Деловые линии,
  • ПЭК,
  • КИТ,
  • ЭНЕРГИЯ,
  • Байкал Сервис.

До транспортной компании транспортируем материал БЕСПЛАТНО. Если клиент не указывает своих предпочтений, то его заказ будет доставлен «Деловыми Линиями».  

Приятный бонус для наших оптовых клиентов, находящихся в регионах - при доставке партии товара на сумму от 200 000 руб. - поставка осуществляется совершенно бесплатно!

Гарантия высокого качества
Выбор надежных производителей, входной контроль качества металла
Полная комплектация
Сформируем ваш заказ, даже если некоторых позиций нет в нашем официальном прайс-листе
Быстрая и качественная металлообработка
Возможность расчета он-лайн, исполнение заказа день в день
Мы всегда рядом
Опытные специалисты с многолетним стажем в продажах
Современная логистика
Своевременно. Аккуратно. Сохранно. Технологично. Надежно
Индивидуальный подход к клиенту
Ориентируемся на потребности клиентов, развиваясь вместе с ними
Личный менеджер
Единый центр ответственности для клиента
Скидки
Гибкая система скидок постоянным заказчикам
Похожие товары
Просмотренные товары (4)
Способы связи:
Адрес:
г. Краснодар ул. Сормовская, д. 197/1

Телефон:
8(800)333-62-28


Режим работы:
Пн - Чт: c 8.00 - 18.00
Пт: с 08:00 - 17:00
Сб - Вс: выходной

Заказать звонок

Если у вас возникли вопросы или предложения, мы будем рады их рассмотреть. Для этого заполните форму ниже.