«АльфаСтройМет»
г. Краснодар 8(800)333-62-28 E-mail: zakaz@asmet-yug.ru
г. Краснодар 8(800)333-62-28 Наличный/безналичный расчёт. Выставление счёта RUB ₽
Пн - Чт: c 8.00 - 18.00
Пт: с 08:00 - 17:00
Сб - Вс: выходной
8(800)333-62-28 Показать

zakaz@asmet-yug.ru

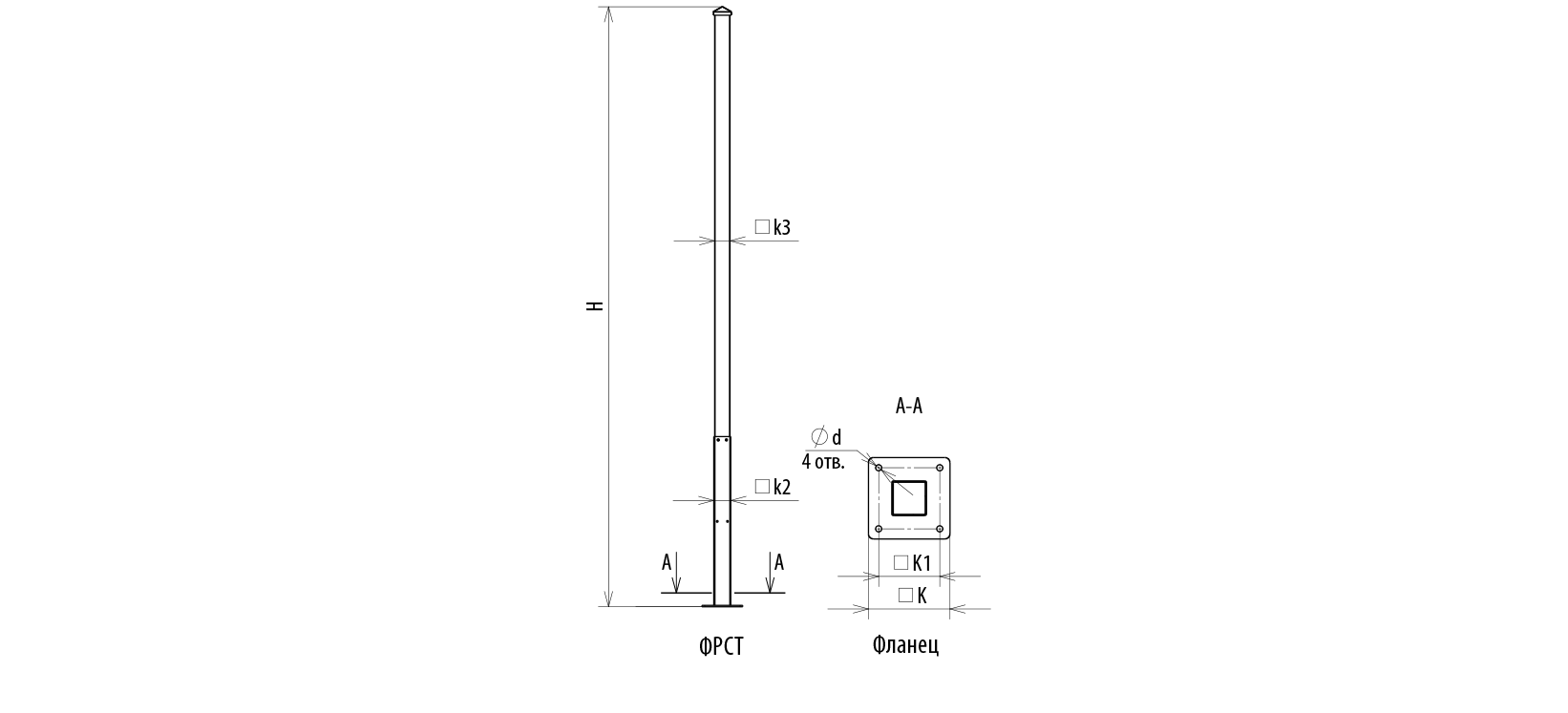
Опора освещения ФРСТ

Характеристики:

Высота (мм)
3500, 4200, 4500
Есть вопросы? Задайте их нашему менеджеру!
8(800)333-62-28 Показать
Описание
  • Описание
  • Оплата
  • Доставка

Несиловые фланцевые стальные опоры с деревянными элементами ФРСТ, выполненные из дерева и стали, применяются для декоративного паркового освещения. Конструктивно опора ФРСТ представляет собой квадратный клееный брус со стальным основанием. Защита деревянных элементов опоры осуществляется за счет двухслойного покрытия маслом. Покрытие стальных элементов способом горячего цинкования по ГОСТ 9.307-89, СП 28.13330.2017 обеспечивает гарантию длительного срока эксплуатации.

В нижней части опоры имеется ревизионный лючок, размеры которого обеспечивают установку и эксплуатацию коммутирующего устройства, находящегося в монтажном отсеке. Для повышения антивандальности лючок выполнен заподлицо. Опора предусматривает подземный подвод питания. Нижняя часть опоры имеет квадратный фланец с отверстиями для установки и закрепления на фундаменте.

Крепежный комплект – нержавеющий или из оцинкованной стали.

В стандартном исполнении стальная часть опоры покрываются методом горячего цинкования и покрывается порошковой краской. Дополнительно возможна порошковая окраска в любой цвет по палитре RAL. По желанию заказчика на фланец может быть установлена декоративная алюминиевая крышка КРШ.  

 

Обозначение Высота  Н, м Диаметры труб
□k2-□k3, мм
Размер опорного фланца □К, мм Посадочный размер □К1, мм Размер крепежного отверстия  Ød, мм Количество отверстий n, шт Материал опоры Защита от коррозии Покрытие Крепежный комплект Рекомендуемая закладная Декоративная крышка на фланец опоры, мм
ФРСТ 3,5(100х100) 3,5 100/90 240 180 18 4 Сталь / Клееный Брус сосна г.ц. Порошковое/масло КК1-ОПТ4-М16 ОПТ4-К180-М16-1,0(102)-Э  К260-К106
ФРСТ 4,2(100х100) 4,2 100/90 240 180 18 4 Сталь / Клееный Брус сосна г.ц. Порошковое/масло КК1-ОПТ4-М16 ОПТ4-К180-М16-1,0(102)-Э  К260-К106
ФРСТ 4,5(100х100) 4,5 100/90 240 180 18 4 Сталь / Клееный Брус сосна г.ц. Порошковое/масло КК1-ОПТ4-М16 ОПТ4-К180-М16-1,0(102)-Э  К260-К106

Оплата возможна как наличным, так и безналичным расчетом (являемся плательщиками НДС). Связавшись с нашими менеджерами, вы сможете уточнить стоимость и сроки доставки материала на ваш объект. Расчеты будут произведены с учетом удаленности вашего объекта от нашей металлобазы и объема заказываемой продукции.

Электронная почта zakaz@asmet-yug.ru и телефон 8(800)333-62-28 для консультации в нашими специалистами., а так же можно заказать обратный звонок и наш менеджер свяжется с вами в течение 10 минут.

Наш специалист предложит подходящий транспорт и грамотно составит маршрут. Материал поставляется с полным пакетом разрешительных и сопроводительных документов.

Уважаемые покупатели, компания АльфаСтройМет  занимается только поставкой металлопроката , у нас нет собственного производства металлоконструкций.

Современное оборудование на складах и разнообразные виды транспорта для перевозок. Доставка осуществляется напрямую со складов нашей компании в Ваш город в день заказа, либо в соответствии с оговоренными с менеджерами отдела продаж и отдела доставки условиями.

Для того, чтобы получить выбранный товар в день заказа, Вам достаточно позвонить 8(800)333-62-28 в нашу компанию до 17:00, либо до этого времени оставить заявку через форму связи на сайте.

Также возможен самовывоз продукции. Оригиналы документов можно забрать из головного офиса, который находится в Краснодаре.

Заказчикам из регионов поставляем материал с помощью транспортных компаний:

  • Деловые линии,
  • ПЭК,
  • КИТ,
  • ЭНЕРГИЯ,
  • Байкал Сервис.

До транспортной компании транспортируем материал БЕСПЛАТНО. Если клиент не указывает своих предпочтений, то его заказ будет доставлен «Деловыми Линиями».  

Приятный бонус для наших оптовых клиентов, находящихся в регионах - при доставке партии товара на сумму от 200 000 руб. - поставка осуществляется совершенно бесплатно!

Гарантия высокого качества
Выбор надежных производителей, входной контроль качества металла
Полная комплектация
Сформируем ваш заказ, даже если некоторых позиций нет в нашем официальном прайс-листе
Быстрая и качественная металлообработка
Возможность расчета он-лайн, исполнение заказа день в день
Мы всегда рядом
Опытные специалисты с многолетним стажем в продажах
Современная логистика
Своевременно. Аккуратно. Сохранно. Технологично. Надежно
Индивидуальный подход к клиенту
Ориентируемся на потребности клиентов, развиваясь вместе с ними
Личный менеджер
Единый центр ответственности для клиента
Скидки
Гибкая система скидок постоянным заказчикам
Похожие товары
Просмотренные товары (4)
Способы связи:
Адрес:
г. Краснодар ул. Сормовская, д. 197/1

Телефон:
8(800)333-62-28


Режим работы:
Пн - Чт: c 8.00 - 18.00
Пт: с 08:00 - 17:00
Сб - Вс: выходной

Заказать звонок

Если у вас возникли вопросы или предложения, мы будем рады их рассмотреть. Для этого заполните форму ниже.